SiC功率器件阈值电压测试方法 - 翻译中...
SiC功率器件具有阻断电压高、工作频率高、耐高温能力强、通态电阻低和开关损耗小等特点,已被广泛用于高频、高压功率系统中。与硅基器件相比,SiC功率器件中由偏压温度不稳定性引起的阈值电压漂移问题更为复杂,其阈值电压准确、可重复地测量,对于指导用户应用、评估SiC功率器件可靠性具有重要意义。然而,除了长期漂移,SiC功率器件的阈值电压还存在迟滞(hysteresis)现象,导致其测量结果与测量条件密切相关,不同测量条件下获得的阈值电压不具备可比性。本文针对这一问题,介绍了能获得可重复测量结果的SiC功率器件阈值电压测量方法。
1.概述
SiC MOSFET作为第三代功率半导体器件,以其阻断电压高、工作频率高、耐高温能力强、通态电阻低和开关损耗小等特点成为当前最具市场前景的半导体产品之一,正广泛应用于新能源汽车、光伏逆变器、无线电能传输等领域。SiC功率器件需要进行栅极氧化物可靠性测试,以确保功率器件在现场的稳定可靠运行。阈值电压是SiC功率器件栅极可靠性测试的关键参数之一。根据相关标准,在功率器件结温为150℃或175℃的条件下,额定栅极电压作用在功率器件栅极1000小时以上,阈值电压的变化不应超过±20%。因此,准确、可重复地测量SiC功率器件的阈值电压,对于准确评价器件可靠性至关重要。
从电路实现的角度来说,功率器件(不限于SiC功率器件)阈值电压的测量方法可分为电压源扫描法和电流源法,前者又可进一步分为双电压源扫描法和单电压源扫描法。电压源扫描法的操作方式是扫描栅极电压,直到测量到预定义的漏极-源极电流,并将漏极-源极电压保持在预设的恒定值上。电流源法的操作方式是将栅极和漏极短接,注入预设的小电流,并测量栅极-源极或漏极-源极电压作为阈值电压测量值。
与硅基器件不同,SiC功率器件不仅存在因电压应力持续时间增加而不断加剧的长期漂移现象,还存在具有可逆性的快速漂移现象。国外研究已表明,对SiC MOSFET栅极施加偏置应力会造成阈值电压漂移,且应力持续时间越长,阈值电压漂移量越大。对于多数载流子是电子的N沟道SiC MOSFET而言,在栅极加正偏压时,SiC/SiO2界面附近的电荷捕获可移动载流子,从而引起阈值电压的正向漂移;当在栅极施加负偏压应力时,界面和近界面陷阱中的电子会被释放,产生快速恢复解陷的特性,从而使阈值电压的漂移恢复。N沟道SiC MOSFET器件栅极电压向上扫描测得的阈值电压会比栅极电压向下扫描测得的阈值电压小,这种现象称为阈值电压的迟滞(hysteresis)效应,如图1所示。这种效应存在于SiC功率器件,在硅基器件中还没有发现。由于迟滞效应的存在,SiC功率器件阈值电压测量结果与测量条件密切相关,不同测试电路、测试方法乃至测试时序下获得的阈值电压之间不具备可比性。当对SiC功率器件作动态栅极应力试验时,阈值电压的测量结果受到试验应力和测量应力两方面的干扰,影响阈值电压退化的定量分析。而传统硅基器件阈值电压测量方法缺少对SiC功率器件阈值电压迟滞效应的针对性设计,无法适用于SiC功率器件的阈值电压测量。

图1 SiC功率器件阈值电压迟滞效应
为了解决SiC功率器件阈值电压迟滞效应影响测量结果的问题,需要在测量阈值电压之前进行预偏置操作,即向待测功率器件的栅极-源极施加预先定义的短时电压应力,然后经过短时的无应力时间间隔,再进行测试。栅极预偏置操作通过短时电压脉冲,将栅氧电荷置于一致的状态再进行测试,能大幅减弱短时应力对阈值电压的影响,从而使测量结果更加有效地反映出栅氧退化的实际情况。
预偏置电压可以按如下方式设置:1)数据表给出的VGS最大(或负值最小)额定值;2)用于PBTI或NBTI的VGS电压应力值;3)用于阈值电压测量的VGS扫描电压起始值(如果它离阈值电压足够远)。阈值电压测试条件在整个评估过程中应保持一致。
02
2.SiC功率器件的阈值电压测量方法
本节详细介绍考虑预偏置操作的三种SiC功率器件的阈值电压测量方法。
2.1 双电压源扫描法

(a)电路处于预偏置处理模式

(b)电路处于阈值电压测试模式
图2 双电压源扫描法测试电路
图2给出了基于双电压源扫描法的测试电路。其中,SMU1为带有电流表的可变直流电压源,SMU2为带有电流表的固定直流电压源,S1、S2为双控开关,可实现预偏置处理模式和阈值电压测试模式的切换。完成预偏置处理,阈值电压测试流程开始后,SMU1与SMU2应保持时序同步,并按照如图3所示的时序向被测器件的栅极和漏极施加测试电压。

图3 双电压源扫描法测试时序
详细的测试步骤如下:
1)将电路切换至如图2(a)所示的预偏置处理模式,由预偏置电路施加规定的栅极预偏置电压脉冲,脉冲幅值为Vcon,脉冲持续时间为tcon;
2)预偏置处理完成后,经过规定的间隔时间tfloat;
3)间隔时间结束后,将电路切换至如图2(b)所示的阈值电压测试模式,由SMU1按照规定的阈值电压扫描方向、扫描范围和测试时间施加栅极电压,同时由SMU2施加规定的漏源电压,同步监测漏极电流;
4)当SMU2监测的漏极电流达到规定值时,由SMU1读出相应的栅源电压VGS,即为阈值电压读数。
双电压源扫描法电路的优势在于原理简单直观,只需要在漏源电流达到阈值电流规定值时读数记录即可。由于栅极和漏极采用两个单独的 SMU,增强了复用性,可以通过仪器程控实现各种不同的测量功能,但也增加了系统成本。
2.2 单电压源扫描法

(a)电路处于预偏置处理模式

(b)电路处于阈值电压测试模式
图4 单电压源扫描法测试电路
图4给出了基于单电压源扫描法的测试电路。其中,SMU为带有电流表的可变直流电压源,S1、S2为双控开关,可实现预偏置处理模式和阈值电压测试模式的切换。阈值电压测试流程开始后,DUT的栅极和漏极短接,SMU应按照如图5所示的时序向被测器件的栅极和漏极施加测试电压。

图5 单电压源扫描法测试时序
详细的测试步骤如下:
1)将电路切换至如图4(a)所示的预偏置处理模式,由预偏置电路施加规定的栅极预偏置电压脉冲,脉冲幅值为Vcon,脉冲持续时间为tcon;
2)预偏置处理完成后,经过规定的间隔时间tfloat;
3)间隔时间结束后,将电路切换至如图4(b)所示的阈值电压测试模式,此时DUT的栅极和漏极短接,由SMU按照规定的阈值电压扫描方向、扫描范围和测试时间施加栅极电压,同时同步监测漏极电流;
4)当SMU监测的漏极电流达到规定值时,读出相应的栅源电压VGS,即为阈值电压读数。
单电压源扫描法将栅极电压复用于漏极,该电路的优点在于所需的测试资源较少,相对简单,但也因此缺乏复用性,只能实现阈值电压的单参数测试。
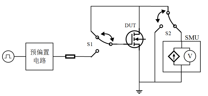
2.3 电流源法

(a)电路处于预偏置处理模式

(b)电路处于阈值电压测试模式
图6 电流源法测试电路
图6给出了基于电流源法的测试电路。其中,SMU为带有电压表的直流电流源,S1、S2为双控开关,可实现预偏置处理模式和阈值电压测试模式的切换。阈值电压测试流程开始后,DUT的栅极和漏极短接,SMU应按照如图7所示的时序向被测器件的栅极和漏极施加测试电流。

图7 电流源法测试时序
详细的测试步骤如下:
1)将电路切换至如图6(a)所示的预偏置处理模式,由预偏置电路施加规定的栅极预偏置电压脉冲,脉冲幅值为Vcon,脉冲持续时间为tcon;
2)预偏置处理完成后,经过规定的间隔时间tfloat;
3)间隔时间结束后,将电路切换至如图6(b)所示的阈值电压测试模式,此时DUT的栅极和漏极短接,由SMU按照规定的阈值电压测试时间施加规定的漏极电流(忽略栅极漏电流);
4)当栅源电压VGS稳定后,由SMU读出该栅源电压,即为阈值电压读数。
容易看出,电流源法是在单电压源扫描法的基础上作了改进。它综合了单电压源扫描法将栅极、漏极短路并忽略漏极电压具体数值的思想,同时还结合了传统两端口测试中加电流测电压的方式,适用于阈值电压单点测试。
2.4 预偏置参数设置方法
栅极预偏置时间tcon、间隔时间tfloat、阈值电压测试时间tVT等参数直接影响阈值电压测量结果,需要合理选择,以获得稳定、可重复的测量结果。
对于电压源扫描法,栅极预偏置时间tcon可取1-100ms,间隔时间可取tfloat<10ms;阈值电压测试时间在扫描步长满足精度需求的前提下应尽量短,越高的精度要求需要越短的单步扫描时间。
对于电流源法栅极预偏置时间tcon可取1-100ms,间隔时间可取tfloat<50ms;阈值电压测试时间应足够使栅极电压达到稳定值并尽量短,可取tVT<100ms。
3.小结
本文介绍了SiC功率器件存在的阈值电压迟滞现象,指出不同测量条件下获得的阈值电压不具备可比性,传统硅基器件阈值电压测量方法无法适用于SiC功率器件。在此基础上,介绍了考虑栅极电压预偏置操作的3种SiC功率器件阈值电压测量电路,包括双电压源扫描法、单电压源扫描法以及电流源法,对其功能特点进行了比较,并介绍了预偏置参数设置方法,可为SiC功率器件阈值电压的实际测量提供参考。